Disyuntores de protección del motor MS (Guardamotores)

Los disyuntores para protección de motores MERZ son un tipo especial de interruptores diseñados para la protección contra sobrecargas y cortocircuitos de motores tanto trifásicos como monofásicos, que se utilizan ampliamente en maquinaria e industria.

Nuestra serie MERZ MS25 tiene contactos de gran calidad que previenen la soldadura de los mismos y tienen una resistencia eléctrica muy baja.  Es capaz de desconectar automáticamente a través de su dispositivo termomagnético.  Puede ser instalado horizontal o verticalmente y tiene una amplia variedad de actuadores y accesorios que pueden ser adaptados según las necesidades del cliente.

Ventajas

  • Envolventes especiales para interruptores de protección de motores
  • Preparado para IE3
  • Según IEC 60947-4-1, DIN EN 60947-4-1, VDE 0660-102
  • La corriente de actuación para el disparo magnético es de 15 x lu .
  • Los guardamotores (MPCBs) están auto protegidos hasta 6.3 A a 400 V
  • Botón pulsador de emergencia / con bloqueo por llave
  • Indicadores luminosos en verde / rojo / blanco
  • Terminales de conexión
  • Con clavija CEE 16A, 3P+N+PE, 400V 6h
  • Con bobina de disparo de mínima tensión 230 V / 400 V 50Hz
  • Con clavija CEE de inversión de fase /Mando con bloqueo para tres candados

DISEÑO

Serie CM.7100 (with CEE device plug)
Serie DM.8000 (without CEE device plug)

Disyuntores de protección del motor MS25

Corriente de actuación  0,1 - 25 A

ISO-Envolvente CM.7100 con guardamotor

con clavija CEE-16A, 3P+N+PE, 400V 6h

ISO-Envolvente tipo CM.7100 con guardamotor y botón de emergencia

con clavija CEE, 3P+N+PE, 400V 6h

y pulsador de emergencia

ISO-Envolvente tipo CM.7100 con guardamotor

con clavija CEE 16A, 3P+N+PE, 400V 6h

y candado de bloqueo

ISO-Envolvente tipo CM.7100 con guardamotor

con inversor de fase CEE, 3P+N+PE, 400V 6h

y bloqueo por candado

ISO-Envolvente tipo DM.8000 con guardamotor Iso-Gehäuse DM.8000 sin clavija CEE

ISO-Envolvente tipo DM.8000 con guardamotor Iso-Gehäuse DM.8000 sin clavija CEE

con botón de parada de emergencia

ISO-Envolvente tipo DM.8000 con guardamotor Iso-Gehäuse DM.8000 sin clavija CEE

con botón de parada de emergencia

ISO-Envolvente tipo DM.8000 con guardamotor Iso-Gehäuse DM.8000 sin clavija CEE

con bloqueo por candado

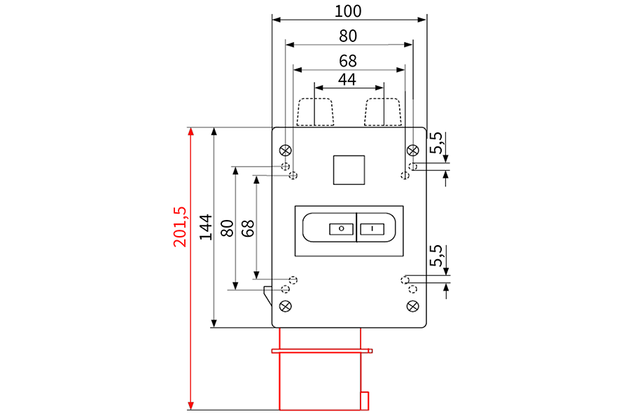
DIMENSIONES

Disyuntores de protección del motor
Envolventes CM.7100 / DM.8000

Vista frontal

Vista lateral

Vista 3D

Características de disparo

Y = tiempo de viaje t(s)
X = Corriente operacional x I (A)

Vista frontal CM.7100

Vista lateral CM.7100

Vista frontal DM.8000

Vista lateral DM.8000

ACCESORIOS

Bloque de contactos auxiliares

para montaje lateral

Bobina de disparo por mínima tensión

para montaje interno

Bloque de bobina de disparo RS 230 V / 400 V

para montaje interno con cable (140 mm)

Envolventes IP55

O-55 y CP-55

Botón de parada de emergencia

Pulsador empuje y rotación de color rojo, con base amarilla

Botón de parada de emergencia

Pulsador empuje y rotación de color rojo, con base amarilla y bloqueo por llave

Cerradura

hasta para tres candados

Indicador luminoso

voltaje nominal 250 V / 400 V

Junta estanqueidad IP55 para botón pulsador

Bloques de conexión

80 mm - 250 mm

Bloque de conexión (25 mm2)

Protección para el cable de conexión